


● 微负压循环,无尘草莓视频黄色片。
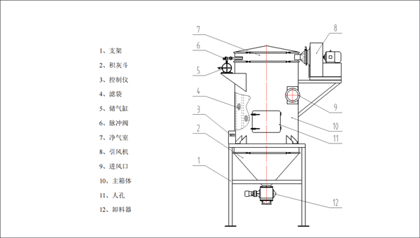
● 具有清灰效果好、净化效率高、处理风量大、滤袋寿命长、维修工作量小。
● 运行安全可靠。
● 与其它筛机配套使用收集粉尘、杜绝物料浪费。
| 型号 | 流量(m³/H) | 过滤面积(m²) | 过滤风速(m/min) | 滤袋数量(条) | 功率(kW) | 风压(Pa) |
| DMC-6 | 1900~2500 | 6 | 2~4 | 6 | 1.1 | 1380~980 |
| DMC-9 | 2664~5628 | 18 | 2~4 | 9 | 3 | 1578~980 |
| DMC-16 | 4012~7419 | 32 | 2~4 | 16 | 5.5 | 2014~1320 |
| DMC-25 | 2664~5268 | 75 | 2~4 | 25 | 3 | 989~1578 |
草莓视频黄色网站不仅仅服务于500强企业 ……无论您在何地,草莓视频黄色网站都提供完善的服务与支持。
400电话